2010 Lexus Is250 Amp Wiring Diagram, Lexus Is 250 Wiring Diagram - Lexusrumor.com

2010 Lexus Is250 Amp Wiring Diagram Is 300 – The Workshop Manual Store

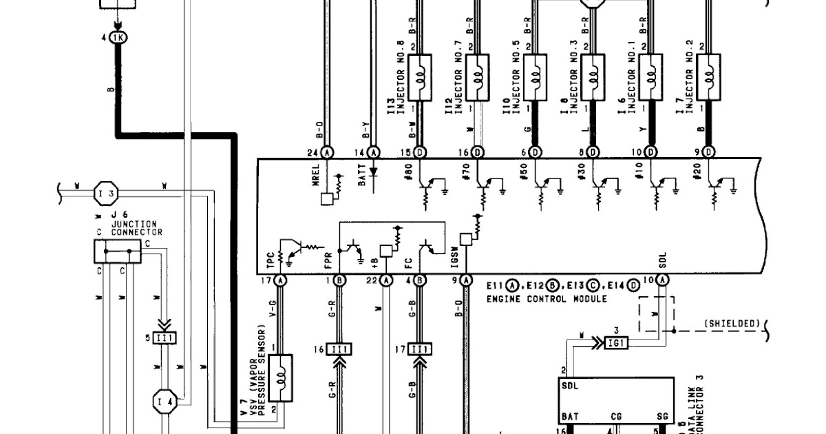
Lexus nx200t 2015 (usa) electrical wiring diagram

Lexus is300. 2001 lexu is300 stereo wiring diagram. Lexus is 250 wiring diagram manual. 2009 , 2010 mark levinson wiring pin outs for line out converter

Lexus Is 250 Wiring Diagram Manual - 20

Lexus Is 250 Wiring Diagram Manual - 20

2002 Lexus Is300 Radio Wiring Diagram - Wiring Diagram

2002 Lexus Is300 Radio Wiring Diagram - Wiring Diagram

2002 Lexus Is300 Wiring Diagram

2002 Lexus Is300 Wiring Diagram

Lexus NX200T 2015 (USA) Electrical Wiring Diagram | Auto Repair Manual

Lexus NX200T 2015 (USA) Electrical Wiring Diagram | Auto Repair Manual

Making Sense of the 2014 IS250c Amp and Wiring - ClubLexus - Lexus

Making Sense of the 2014 IS250c Amp and Wiring - ClubLexus - Lexus